关于东纳 About us
联系我们
  • 客服服务电话:0755-2801 8888
  • 商业服务电话:18800000001
  • 技术服务电话:18800000001
  • 在线服务QQ:000000000
  • 服务邮箱:service@.com.cn
  • 网站:www.niumowang.com

磁性氧化石墨烯

日期: 2024-12-25
浏览次数: 96

磁性氧化石墨烯



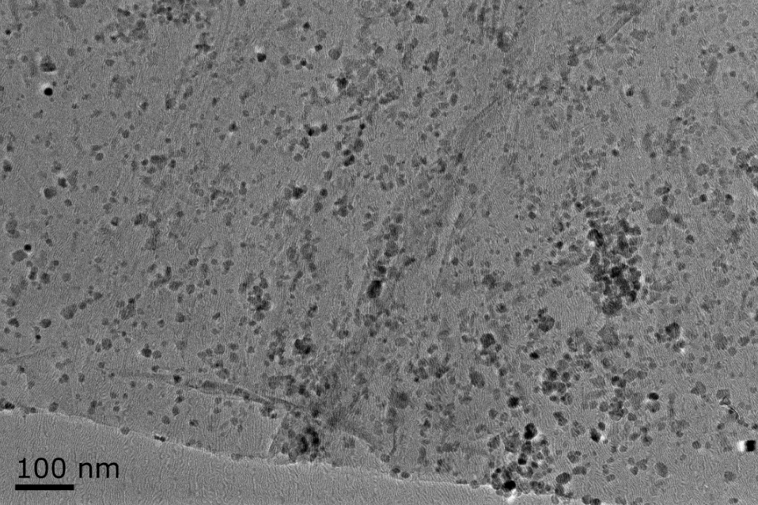
磁性氧化石墨烯是氧化石墨烯和Fe3O4纳米颗粒组成,既保留了Fe3O4的磁性、磁导向性以及配位能力,又保留了氧化石墨烯较高的比表面积和其片层骨架上多种含氧官能团结构,这也使得磁性氧化石墨烯具有更活泼的性能。


磁性氧化石墨烯保留了氧化石墨烯的片层结构,具有大的比表面积。其本身具有大量活性位点,易于进行功能修饰,表面引入羧基/羟基/氨基,增加其亲水性和生物相容性。磁性氧化石墨烯在物理、化学、光学、电学性质等方面都显示出较大的优势。

磁性氧化石墨烯


氧化石墨烯在光电、太阳能、传感器、以及纳米医学、肿瘤治疗、组织工程、药物释放、生物成像和生物分子传感等方面都发挥了巨大作用。随着对磁性氧化石墨烯的研究,该材料在生物复合材料、肿瘤及疾病治疗方面得以应用,另外也已经被应用于生物传感器、生物化学成分提取和分离、干细胞调节和诱导分化、靶向药物递送和癌症治疗、核酸提取等方面。此外,在污水处理方面,磁性氧化石墨烯表面修饰不同的分子可用于对水中不同污染物如稀土元素/有机染料、重金属等的去除,且磁性氧化石墨烯可以循环使用。




氨基功能化的磁性氧化石墨烯

氨基功能化的磁性氧化石墨烯是一种将氨基(-NH2)官能团引入磁性氧化石墨烯结构中的新型材料。氨基官能团的引入可以使磁性氧化石墨烯的表面性质发生改变,增加其水溶性、生物相容性和化学反应活性。同时氨基功能化的磁性氧化石墨烯磁性强度均一、比表面积大、悬浮性好、磁性强、表面电荷高,从而拓展了磁性氧化石墨烯的应用领域。


氨基功能化的磁性氧化石墨烯制备方法


目前,常的氨基功能化磁性氧化石墨烯制备方法主要有两种:一种是将氨基官能团化合物与磁性氧化石墨烯进行反应,另一种是通过将氧化石墨烯与含有氨基官能团的化合物进行反应再添加磁性材料进行结合从而使表面带有氨基基团


氨基功能化的磁性氧化石墨烯性质


氨基功能化的磁性氧化石墨烯具有很多独特的性质,例如:1增加了磁性氧化石墨烯的水溶性,使其在生物医学、环境保护等领域有了更广泛的应用;2增加了磁性氧化石墨烯的生物相容性,可以用于生物医学领域的药物传递和诊断等方面;3增加了磁性氧化石墨烯的化学反应活性,可以用于催化、传感器等领域4、增强了磁性氧化石墨烯的磁化强度,具有快速磁分离效果,可以应用在核酸提取,污水处理,分离等领域;5、提高了磁性氧化石墨烯在水中的分散性和悬浮稳定性,具有大的比表面积,在应用中比传统材料反应效率更高。


磁性氧化石墨烯



【氨基功能化的磁性氧化石墨烯应用前景】


氨基功能化的磁性氧化石墨烯在生物医学、环境保护、催化、传感器等领域有着广泛的应用前景。例如,氨基功能化的磁性氧化石墨烯可用于制备高性能的生物传感器、催化剂、药物传递系统、核酸提取、生物分离系统、细菌分离、细胞分选、化学发光等,具有广阔的市场应用前景。
综上所述,氨基功能化的磁性氧化石墨烯是一种具有很高研究价值和应用前景的新型材料,其引入氨基官能团的方法、性质和应用领域正在受到越来越多的关注。
南京东纳生物科技有限公司是一家从事磁性微纳米材料研发生产的科技公司现拥有不同粒径、不同制备方法不同表面功能基团修饰的磁性微、纳米材料。公司拥有成熟的研发、质量和生产部门,为多家知名公司供应原材料,用高质量的新智生产流程把控科研产品质量。其中,氨基功能化磁性氧化石墨烯具有磁性强且尺寸均一,在水溶液中稳定性和悬浮性好,具有丰富正电荷的特点。此外,根据客户需求还可进行不同磁性、不同表面、不同氨基、羧基密度修饰的磁性氧化石墨烯定制服务。关注公众号纳米岛,带快速了解最新纳米材料的特性及应用案例同时可根据需求定制研发其他纳米材料。


-END-


Hot News / 相关推荐
  • 2025 - 07 - 16
    点击次数: 72
    NANOEAST好磁珠 东纳造纳米载体是智能药物递送平台的基础,不是所有的载体都适合智能药物递送平台的。对于常见的肿瘤治疗来说,纳米载体可以通过利用癌细胞和健康细胞之间的生理生化差异来确定肿瘤部位;为了精确识别肿瘤细胞的位置,主要有两种方法:被动靶向和主动靶向。被动靶向利用增强的渗透性(EPR)效应间接地富集在肿瘤位置;主动靶向利用肿瘤细胞表面过度表达的受体直接靶向癌细胞。对于智能药物递送平台来说...
  • 2023 - 10 - 26
    点击次数: 216
    北京时间10月2日17点48分,瑞典卡罗琳医学院宣布,将诺贝尔生理学或医学奖授予匈牙利科学家卡塔琳·卡里科和美国科学家德鲁·魏斯曼,以表彰他们在核苷碱基修饰方面的发现,使得针对肆虐全球的新冠病毒的mRNA疫苗得以成功开发。mRNA技术运用到药物(或疫苗),就是把带有遗传信息、指导蛋白质合成的“中间分子”拿出来,使机体有目的性的合成蛋白质。但很多研究证明,要想在体外制备mRNA,...
  • 2023 - 09 - 11
    点击次数: 112
    2023年9月6-8日,第二十届北京分析测试学术报告会暨展览会(简称BCEIA2023)在北京·中国国际展览中心(顺义馆)隆重召开。9月6日下午,医疗器械产业创新与产教融合发展论坛在南登录大厅-学术会议区E-311成功召开,吸引了来自医学界、学术界、产业界的众多专家齐聚一堂,共同探讨行业发展,聚焦医工结合、多学科交叉融合、科技创新成果转化,进一步推动了我国医疗器械产业创新及产教融合高质量...
  • 电话:025-83475811   
    手机:17314456709 QQ:1276827079  
    Copyright ©2017   南京东纳生物科技有限公司
    地址:南京市江宁区龙眠大道568号生命科技小镇5号楼
    犀牛云提供云计算服务
    X
    3

    SKYPE 设置

    4

    阿里旺旺设置

    5

    电话号码管理

    • 025-83475811 17314456709
    6

    二维码管理

    展开