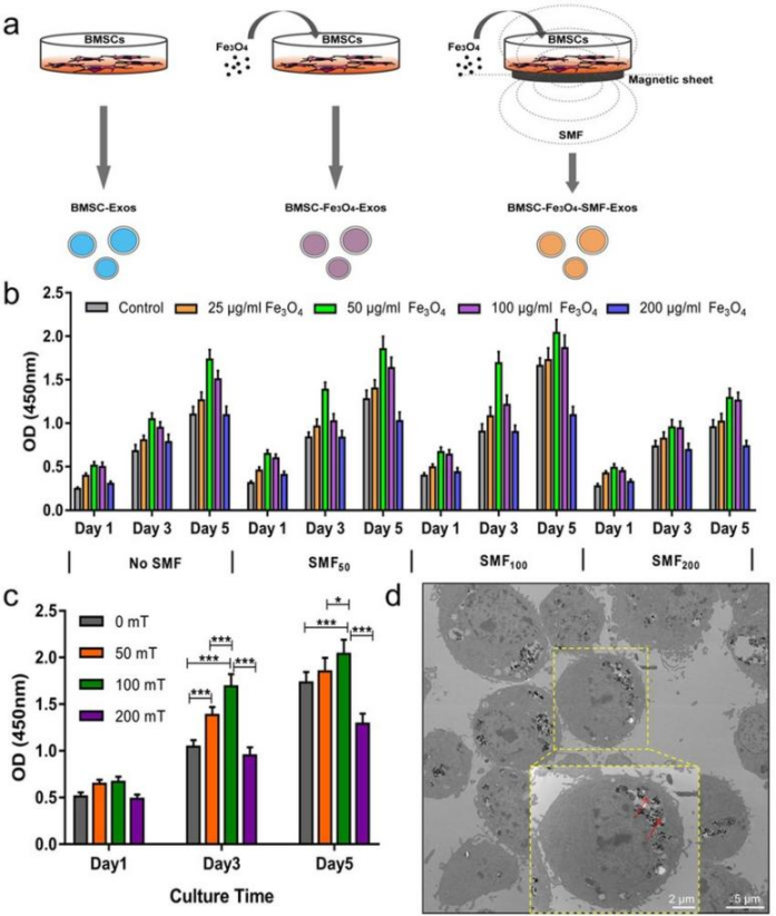
关于东纳 About us
联系我们
  • 客服服务电话:0755-2801 8888
  • 商业服务电话:18800000001
  • 技术服务电话:18800000001
  • 在线服务QQ:000000000
  • 服务邮箱:service@.com.cn
  • 网站:www.niumowang.com
亲和有你Lab-链霉亲和素磁珠试用通道开放链霉亲和素磁珠由超顺磁性微球与高纯度链霉亲和素共价结合而成。链霉亲和素-生物素(SA-Biotin)系统具有极高的结合亲和力(Kd=10^-15),可与生物素修饰的抗体、核酸等功能分子高亲和力结合,从而广泛用于蛋白质与核酸等分子的特异性捕获、分离与纯化,成为免疫检测、捕获测序、细胞分选、外泌体捕获等领域的关键核心材料。 *更多案例敬请期待微信文章为了提升广大科研用户对链霉亲和素磁珠产品的了解与体验,南京东纳生物科技有限公司现限时向科研用户开放链霉亲和素磁珠试用通道,并同时提供下游应用的技术支持,欢迎广大客户积极参与!亲和有你,你的参与是我们最大的荣幸!开放对象:使用链霉亲和素磁珠的科研工作者开放时间:2022年4月1日——2022年6月1日活动细则:1. 采购科研规格的链霉亲和素磁珠(100/200/300/1000 nm)享7折优惠(含经销商)2. 截止活动结束前,开放科研客户对链霉亲和素磁珠(100/200/300/1000 nm)的试用装申请(0.2mL,包邮)*3. 科研工作者试用效果好的,提供可供公开的反馈数据可再享受购买产品9折(折上折)优惠及礼品(如下可选);使用效果好,且提供极其详尽的可供公开的使用方法及的反馈数据,经评估后可享受购买相关产品7~9折(折上折)优惠及礼品(如下可选)。4...
发布时间: 2022 - 04 - 14
浏览次数:1629
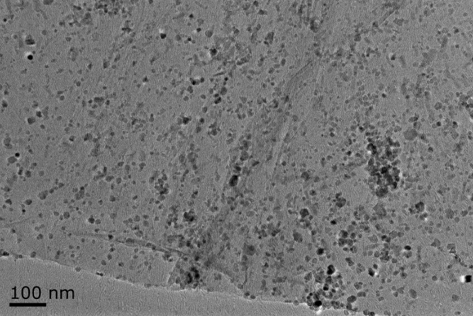
产品应用案例│东纳MagBeadsTM链霉亲和素磁珠在吖啶酯化学发光平台中的应用 吖啶酯化学发光分析(CLIA)是目前市场前景非常好的免疫分析方法。吖啶酯具有反应条件温和、重现性好、发光效率高、发光强度强等优点。吖啶酯化学发光、链霉亲和素磁珠-生物素放大体系主要包括吖啶酯标记的抗体或抗原、生物素标记的抗体或抗原、链霉亲和素包被带有羧基或者Tosyl(对甲苯磺酰基)官能团的磁珠(粒径为0.1-5 mm)这几部分,这些作为核心试剂广泛应用于目前的免疫检测之中。南京东纳生物科技有限公司的MagBeadsTM链霉亲和素磁珠(粒径约为1.0 mm)是通过共价偶联技术将链霉亲和素固定在磁珠表面,可高效结合生物素化抗体、核酸、蛋白等配体分子。同时,链霉亲和素磁珠具有极高的链霉亲和素载量及极好的亲水性,可确保高的抗体、核酸偶联量及低的非特异性吸附。此外,链霉亲和素磁珠还具有优良的磁稳定性、悬浮性、再分散稳定性,以及较宽pH体系稳定性,可以保证反应的均一性及检测一致性,适用于自动化高通量实验操作。 图:MagBeadsTM链霉亲和素磁珠的电镜图及结构示意图 产品应用案例将MagBeadsTM链霉亲和素磁珠(低非特异性)应用于肌酸激酶同工酶(CKMB),N-末端B型利钠肽前体(NT-proBNP),总前列腺特异抗原(TPSA),游离前列腺特异抗原(FPSA)试剂盒。对各试...
发布时间: 2022 - 03 - 30
浏览次数:251
产品应用案例│东纳MagBeadsTM羧基磁珠和硅羟基磁珠在核酸提取及片段筛选中的应用硅羟基磁珠和羧基磁珠被广泛地应用于核酸提取及片段筛选中。磁珠的尺寸、表面修饰及均一性均会影响核酸提取的纯度、质量及收率。硅羟基提取核酸通常是通过在高浓度盐环境下屏蔽溶液中的静电斥力,破坏磁珠和核酸分子表面原有的水化层,促使核酸在磁珠表面的吸附。而羧基磁珠除了可以用于高浓度盐环境下的核酸提取,更被广泛地应用于片段筛选中。在片段筛选中,通过调控溶液中加入的PEG和盐的量,使得核酸的分子构象由伸展的状态逐渐蜷缩成小球状,同时消除了表面的负电荷,促进核酸分子在磁珠上的吸附。这种构象的变化与核酸的分子量密切相关(分子量越大,越倾向于发生构象变化)。通过调节盐溶液与核酸样本的体积比,便能实现片段筛选。南京东纳生物有限公司具有各种尺度、各种表面修饰的磁珠,被广泛地应用于分子诊断中。 图1:东纳MagBeadsTM羧基磁珠和硅羟基磁珠电镜图核酸提取案例采用1 mm硅羟基磁珠和200 nm硅羟基磁珠配合不同公司的血液DNA提取试剂盒、植物基因组DNA提取试剂盒、病毒核酸提取试剂盒,结果显示1 mm硅羟基磁珠和200 nm硅羟基磁珠分别在不同的项目中体现出优势。核酸提取案例一:磁珠法血液基因组DNA提取 图2:使用T公司血液提取试剂盒,分别搭配T公司磁珠、东纳200 nm和东纳1 μm磁珠提取20...
发布时间: 2022 - 03 - 23
浏览次数:1524
产品应用案例│银纳米颗粒装饰和介孔二氧化硅涂层单壁碳纳米管增强杀灭耐药细菌的抗菌活性耐多药细菌引起的感染日益成为全球公共卫生的严重风险,已被世界卫生组织列为对人类健康的最主要威胁之一。不幸的是,新型抗生素药物的开发速度一直在迅速下降,这远远落后于抗生素耐药性的增加。因此,迫切需要探索具有广泛抗菌活性和低耐药性发展倾向的新型抗菌药物。上海交通大学王耀研究组提出了一种新型的抗菌纳米平台,通过N-[3-(三甲氧基硅基)丙基]乙二胺(TSD)介导的方法构建的银纳米颗粒(11 nm,南京东纳生物科技有限公司)装饰和介孔二氧化硅涂层的单壁碳纳米管(SWCNTs@mSiO2-TSD@Ag)(Nano Res.,IF 8.897)。在本研究中,作者利用该组之前建立的方法合成了具有典型同轴核/壳结构的SWCNTs@mSiO2,外层介孔硅壳能够提高SWCNTs的分散性,从而增加其与细菌细胞壁的接触面积。然后采用TSD介导的策略,通过螯合作用(Ag和TSD之间)和缩合反应(TSD与硅醇基之间),将AgNPs载入SWCNT@mSiO2(SWCNT@mSiO2-TSD@Ag)中。同时,二氧化硅层中大量的介孔作为微反应器,原位合成尺寸小、均匀分布的银纳米颗粒,从而提高抗菌活性。 图1. SWCNTs@mSiO2-TSD@Ag的合成示意图本文重点:(1)首先,作者通过一系列的表征手段证明了这种新型纳米...
发布时间: 2022 - 03 - 15
浏览次数:169
电话:025-83475811   
手机:17314456709 QQ:1276827079  
Copyright ©2017   南京东纳生物科技有限公司
地址:南京市江宁区龙眠大道568号生命科技小镇5号楼
犀牛云提供云计算服务
X
3

SKYPE 设置

4

阿里旺旺设置

5

电话号码管理

  • 025-83475811 17314456709
6

二维码管理

展开